Nyitvatartás
Miért válasszon minket?




2. MAHR - hivatalos márkaképviselet
MAHR - Német Precizitás és Megbízhatóság
A MAHR a világ egyik vezető gyártója a precíziós mérőtechnika területén. Hivatalos márkaképviselőként kínáljuk Önnek a MAHR teljes termékpalettáját, eredeti gyári garanciával és szakmai támogatással.
Miért válassza a MAHR termékeket?
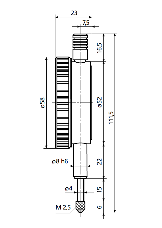
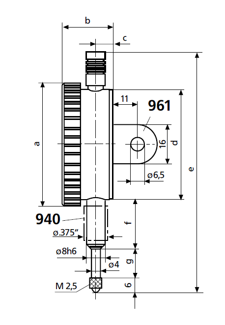
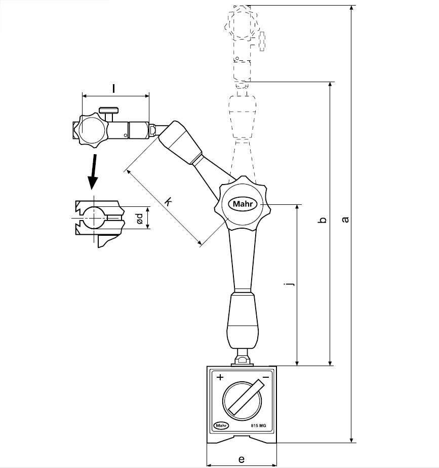
Termékpaletta: Hosszmérő eszközök, felületmérő berendezések, koordináta mérőgépek, optikai mérőrendszerek és kalibrálási szolgáltatások. Autóipartól az orvostechnikáig.
Alkalmazási területek: Autóipar, repülőgépipar, orvostechnika, szerszámgyártás, kutatás-fejlesztés és minőségbiztosítás.
Válassza a német precizitást - válassza a MAHR-t!
Itt láthatja a kollekció kiemelt termékeit. A teljes kínálatért használja a keresőt vagy böngésszen a kategóriákban.